提交咨询信息
咨询邮箱:nesfovalve@163.com
我们收到后将会在24小时内回复您
全站搜索
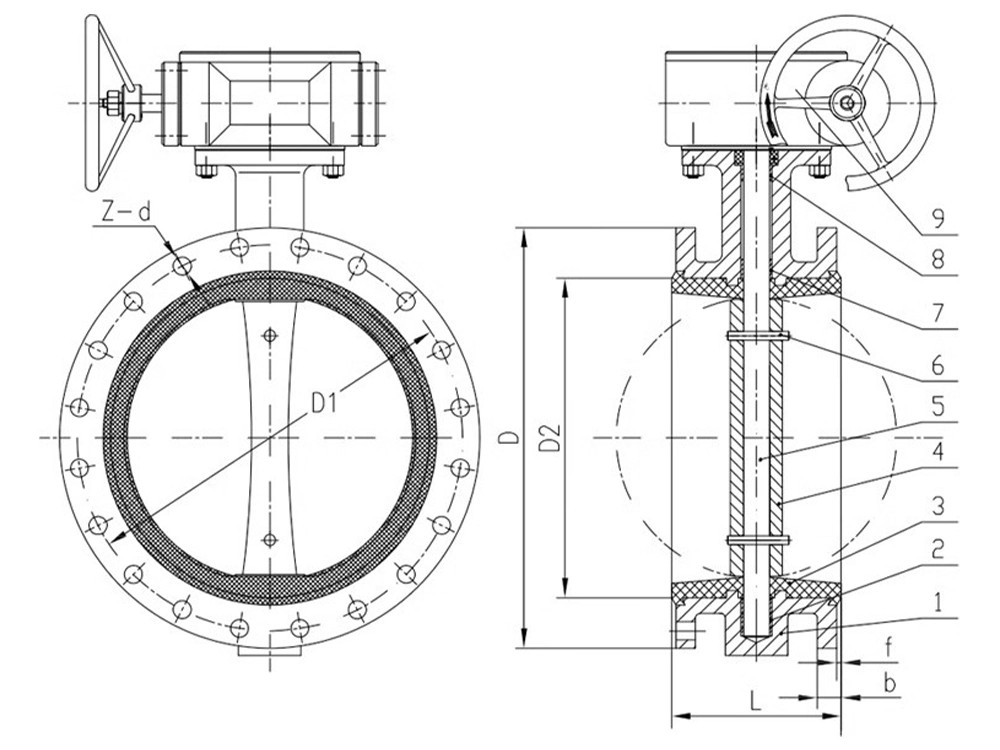
D341F-16P蜗轮法兰蝶阀适用于温度≤150℃,公称压力≤1.6MPa的食品、医药、化工、石油、电力、轻纺、造纸等给排水、气体管道上作调节流量和截流介质的作用。
| 产品型号 | D341F-16P |
|---|---|
| 阀体材质 | 304不锈钢 |
| 阀板材质 | 304不锈钢 |
| 衬胶材质 | PTFE聚四氟乙烯 |
| 公称压力 | ≤1.6Mpa |
| 适用介质 | 水、气、油品等 |
| 适用温度 | ≤150℃ |

| DN | L | D | D1 | D2 | b | f | z-d |
|---|---|---|---|---|---|---|---|
| 40 | 106 | 145 | 110 | 85 | 16 | 3 | 4-18 |
| 50 | 108 | 160 | 125 | 100 | 16 | 3 | 4-18 |
| 65 | 112 | 180 | 145 | 120 | 18 | 3 | 4-18 |
| 80 | 114 | 195 | 160 | 135 | 20 | 3 | 8-18 |
| 100 | 127 | 215 | 180 | 155 | 20 | 3 | 8-18 |
| 125 | 140 | 245 | 210 | 185 | 22 | 3 | 8-18 |
| 150 | 140 | 280 | 240 | 210 | 24 | 3 | 8-23 |
| 200 | 152 | 335 | 295 | 265 | 26 | 3 | 12-23 |
| 250 | 165 | 405 | 355 | 320 | 30 | 3 | 12-25 |
| 300 | 178 | 460 | 410 | 375 | 30 | 4 | 12-25 |
| 350 | 190 | 520 | 470 | 435 | 34 | 4 | 16-25 |
| 400 | 216 | 580 | 525 | 485 | 36 | 4 | 16-30 |
| 450 | 222 | 640 | 585 | 545 | 40 | 4 | 20-30 |
| 500 | 229 | 705 | 650 | 608 | 44 | 4 | 20-34 |
| 600 | 267 | 840 | 770 | 718 | 48 | 5 | 20-41 |
| 700 | 292 | 910 | 840 | 788 | 50 | 5 | 24-41 |
| 800 | 318 | 1020 | 950 | 898 | 52 | 5 | 24-41 |
| 900 | 330 | 1120 | 1050 | 998 | 54 | 5 | 28-41 |
| 1000 | 410 | 1255 | 1170 | 1110 | 56 | 5 | 28-48 |
第一步:发送采购清单
请将采购清单发邮件到 nesfovalve@163.com,电话/微信:+86-13382208259,WhatsApp:+852-90445535。
第二步:提供报价和选型
收到客户采购清单后,我公司将为客户提供阀门报价「价格清单」和选型「阀门型号」服务。
第三步:商定具体事宜
具体事宜商定:交货期、特殊要求等细节确认。
立即完善信息,为您提供专属服务!