提交咨询信息
咨询邮箱:nesfovalve@163.com
我们收到后将会在24小时内回复您
全站搜索
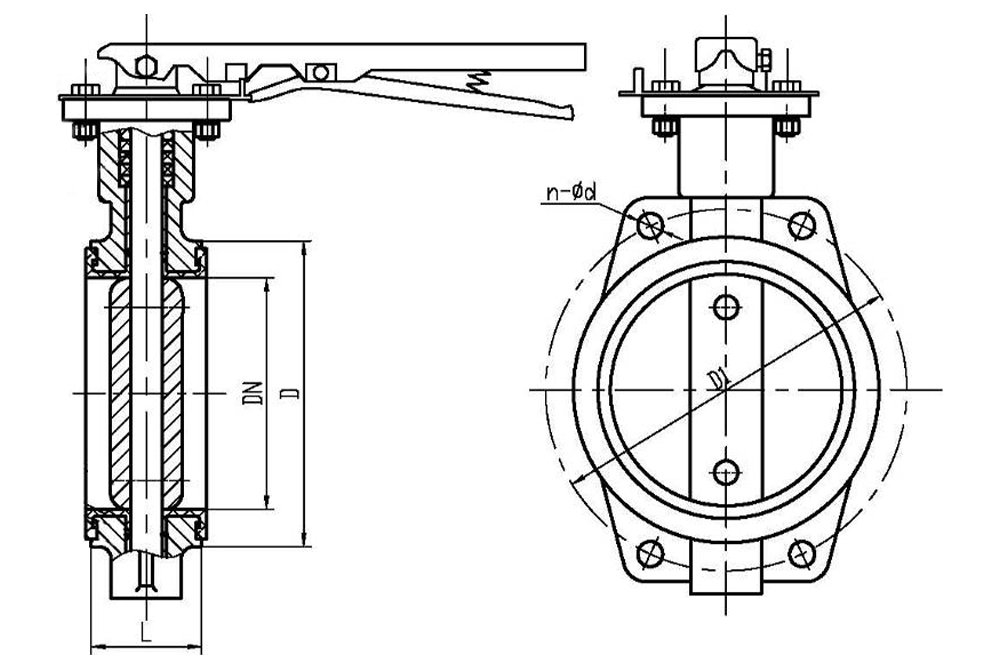
D71X-16Q手柄对夹蝶阀可适用于食品、医药、化工等净管路及工业环保、水处理、高层建筑、给排水管路作启闭或调节介质流量之用。手柄对夹蝶阀的蝶板安装于管道的直径方向。在蝶阀阀体圆柱形通道内,圆盘形蝶板绕着轴线旋转,旋转角度为0°~90°之间,旋转到90°时,阀门则呈全开状态。
| 产品型号 | D71X-16Q |
|---|---|
| 阀体材质 | 球墨铸铁 |
| 阀板材质 | 球墨铸铁/304不锈钢 |
| 衬胶材质 | EPDM |
| 公称压力 | ≤1.6Mpa |
| 适用介质 | 水、气、油品等 |
| 适用温度 | ≤80℃ |

| 通径 | L | D | D1 | n-Фd |
|---|---|---|---|---|
| DN40 | 42 | 86 | 110 | 4-23 |
| DN50 | 42 | 86 | 125 | 4-23 |
| DN65 | 44.7 | 86 | 145 | 4-26.5 |
| DN80 | 45.2 | 86 | 160 | 8-18 |
| DN100 | 52.1 | 100 | 180 | 4-24.5 |
| DN125 | 54.4 | 100 | 210 | 4-23 |
| DN150 | 55.8 | 100 | 240 | 4-25 |
| DN200 | 60.6 | 152 | 295 | 4-25 |
| DN250 | 65.6 | 152 | 355 | 4-29 |
| DN300 | 76.9 | 152 | 410 | 4-29 |
第一步:发送采购清单
请将采购清单发邮件到 nesfovalve@163.com,电话/微信:+86-13382208259,WhatsApp:+852-90445535。
第二步:提供报价和选型
收到客户采购清单后,我公司将为客户提供阀门报价「价格清单」和选型「阀门型号」服务。
第三步:商定具体事宜
具体事宜商定:交货期、特殊要求等细节确认。
立即完善信息,为您提供专属服务!