提交咨询信息
咨询邮箱:nesfovalve@163.com
我们收到后将会在24小时内回复您
全站搜索
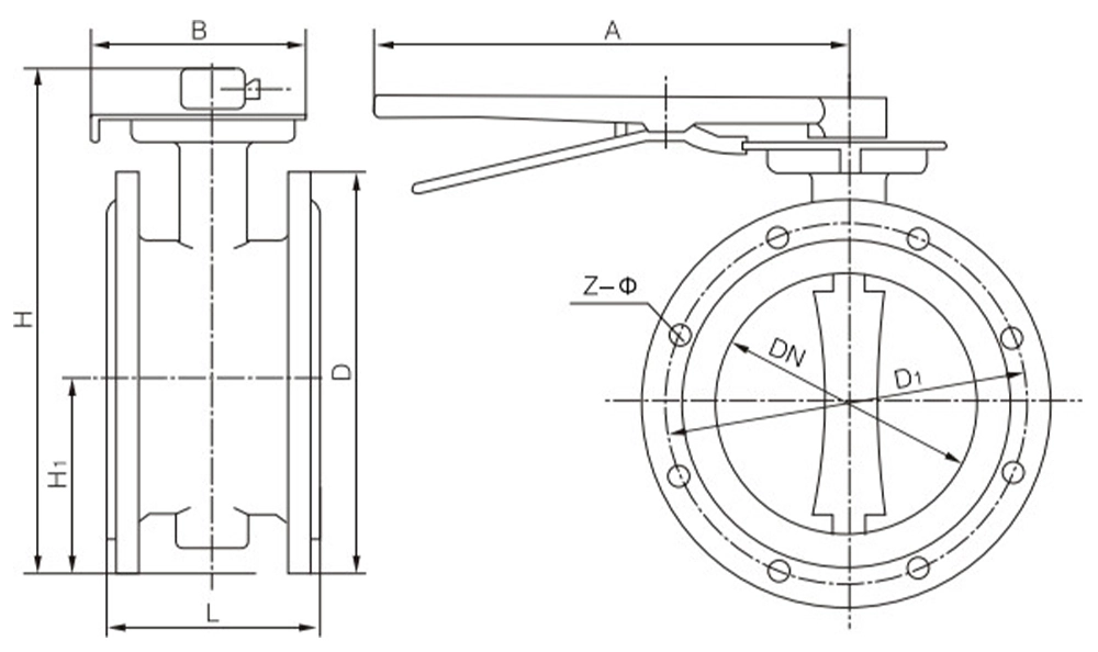
D41X-16Q手柄法兰蝶阀是用圆盘式启闭件往复回转90°左右来开启、关闭和调节流体通道的一种阀门。具有设计新颖、结构简单、体积小、重量轻、安装尺寸小、开关迅速等特点。广泛应用于食品、医药、化工、石油、电力、冶金、城建、轻纺、造纸等给排水、气体管道上作调节流量和截流介质的作用。
| 产品型号 | D41X-16Q |
|---|---|
| 阀体材质 | 球墨铸铁 |
| 阀板材质 | 球墨铸铁/304不锈钢 |
| 衬胶材质 | EPDM |
| 公称压力 | ≤1.6Mpa |
| 适用介质 | 水、气、油品等 |
| 适用温度 | ≤80℃ |

| DN | L | D | D1 | H | H1 | A | B | Z-Ф |
|---|---|---|---|---|---|---|---|---|
| 40 | 106 | 145 | 110 | 220 | 68 | 240 | 98 | 4-18 |
| 50 | 108 | 160 | 125 | 235 | 68 | 240 | 98 | 4-18 |
| 65 | 112 | 180 | 145 | 250 | 75 | 240 | 98 | 4-18 |
| 80 | 114 | 195 | 160 | 275 | 85 | 240 | 98 | 8-18 |
| 100 | 127 | 215 | 180 | 315 | 105 | 270 | 108 | 8-18 |
| 125 | 140 | 245 | 210 | 340 | 120 | 320 | 108 | 8-18 |
| 150 | 140 | 280 | 240 | 375 | 135 | 320 | 108 | 8-23 |
| 200 | 152 | 335 | 295 | 470 | 165 | 365 | 155 | 12-23 |
第一步:发送采购清单
请将采购清单发邮件到 nesfovalve@163.com,电话/微信:+86-13382208259,WhatsApp:+852-90445535。
第二步:提供报价和选型
收到客户采购清单后,我公司将为客户提供阀门报价「价格清单」和选型「阀门型号」服务。
第三步:商定具体事宜
具体事宜商定:交货期、特殊要求等细节确认。
立即完善信息,为您提供专属服务!