提交咨询信息
咨询邮箱:nesfovalve@163.com
我们收到后将会在24小时内回复您
全站搜索
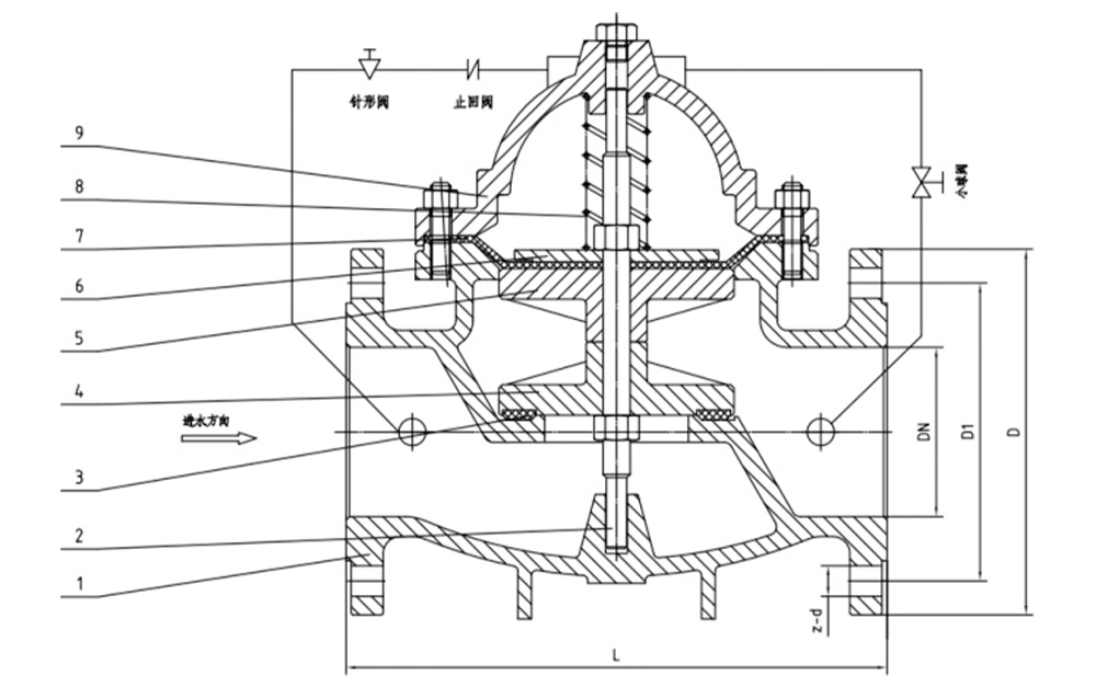
300X缓闭式止回阀由主阀、单向阀、针型阀、球阀、微形过滤器和压力表组成水力控制接管系统。利用水力自动操作,可使主阀得到迅速的开启或缓慢的关闭速度。防止水锺水击的产生,以达到缓闭消声的效果。当缓闭止回阀从进口端给水时,水通过微形过滤器、针型阀、单向阀进入主阀控制室,再经过球阀排水至下游。因为针型阀开度小于球阀开度,即主阀控制室的排水速度大于进水速度,因此控制室压力降低,作用于主阀盘下端的进口压力打开主阀向下游供水。当管道停止供水时,若下游水开始回流,一部分回流水经球阀进入主控制室,由于单向阀作用,回流水不能从主控制室流出,引起主控制室逐渐升压,缓缓关闭主阀。
| 产品型号 | 300X-16Q |
|---|---|
| 阀体材质 | 球墨铸铁 |
| 公称压力 | ≤1.6Mpa |
| 适用介质 | 水等 |
| 适用温度 | ≤80℃ |

| 通径 | L | D | D1 | D2 | b | f | z-d |
|---|---|---|---|---|---|---|---|
| DN40 | 215 | 150 | 110 | 88 | 18 | 3 | 4-18 |
| DN50 | 215 | 165 | 125 | 102 | 18 | 3 | 4-18 |
| DN65 | 230 | 185 | 145 | 122 | 18 | 3 | 4-18 |
| DN80 | 255 | 200 | 160 | 138 | 20 | 3 | 8-18 |
| DN100 | 290 | 220 | 180 | 158 | 20 | 3 | 8-18 |
| DN125 | 285 | 250 | 210 | 188 | 22 | 3 | 8-18 |
| DN150 | 365 | 285 | 240 | 212 | 22 | 3 | 8-22 |
| DN200 | 430 | 340 | 295 | 268 | 24 | 3 | 12-22 |
第一步:发送采购清单
请将采购清单发邮件到 nesfovalve@163.com,电话/微信:+86-13382208259,WhatsApp:+852-90445535。
第二步:提供报价和选型
收到客户采购清单后,我公司将为客户提供阀门报价「价格清单」和选型「阀门型号」服务。
第三步:商定具体事宜
具体事宜商定:交货期、特殊要求等细节确认。
立即完善信息,为您提供专属服务!